اتصل بي
محلي:+86-18169817259
الخارج:+86-13790081902
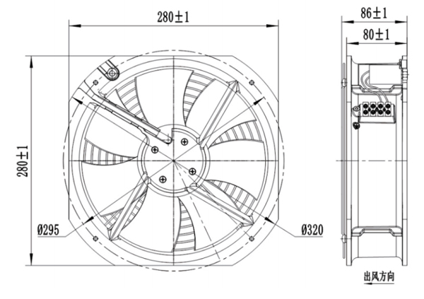
المواد: المكره مصنوعة من طبق بارد مع طلاء كهربائي ، شفرات 7 مروحة ، الإطار مصنوع من سبائك الألومنيوم
المحمل: محمل كروي
التحكم في السرعة: صنابير المناوبات (منتج متعدد السرعات)
درجة حرارة العمل: -25 ~ 55 درجة مئوية
فئة العزل: و
فئة الحماية: IP44
الموافقات: CCC ، CE

الأداء:

نقطة عمل | ضغط ثابت (باسكال) | تدفق الهواء (م3/ح) | السرعة (ص/دقيقة) | قوة (ث) |
1 | 30 | 1190 | 2580 | 115 |
2 | 40 | 1050 | 2560 | 111 |
3 | 45 | 760 | 2620 | 110 |
4 | 60 | 600 | 2560 | 120 |
معلمة: (يمكن تخصيصها)
نموذج مروحة | نوع المحرك | الجهد | قوة | الحالي | السرعة | تدفق الهواء | الضوضاء |
& Apos; 5 & apos; | (ث) | (أ) | (ص/دقيقة) | (م3/ح) | Lp: ديسيبل (أ) | ||
AG250A-A092C2-00 | AM092C2 | AC230/50 هرتز | 120 | 0.52 | 2600 | 1360 | 65 |
روابط سريعة