اتصل بي
محلي:+86-18169817259
الخارج:+86-13790081902
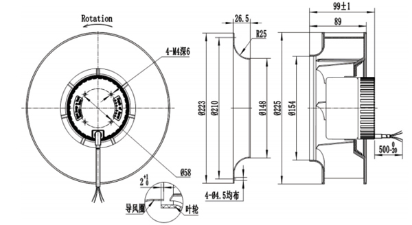
المواد: المكره مصنوعة من PA66
المحمل: محمل كروي
التحكم في السرعة: إدخال التحكم 0-5/10V أو PWM
درجة حرارة العمل: -25 ~ 60 درجة مئوية
فئة العزل: ب
فئة الحماية: IP44
الموافقات: CCC ، CE

الأداء:

نقطة عمل | ضغط ثابت (باسكال) | تدفق الهواء (م3/ح) | السرعة (ص/دقيقة) | قوة (ث) |
1 | 85 | 970 | 2700 | 100 |
2 | 175 | 850 | 2700 | 116 |
3 | 240 | 730 | 2700 | 119 |
4 | 300 | 600 | 2700 | 118 |
نموذج مروحة | نوع المحرك | الجهد | قوة | الحالي | السرعة | تدفق الهواء | الضوضاء |
& Apos; 5 & apos; | (ث) | (أ) | (ص/دقيقة) | (م3/ح) | Lp: ديسيبل (أ) | ||
من من من من | DM092A | DC24 | 96 | 4.0 | 2700 | 1100 | 75 |
من من من من | DC48 | 96 | 2.0 | 2700 | 1100 | 75 | |
من من من من | دسي 310 | 100 | 0.71 | 2900 | 1250 | 78 |
روابط سريعة