اتصل بي
محلي:+86-18169817259
الخارج:+86-13790081902
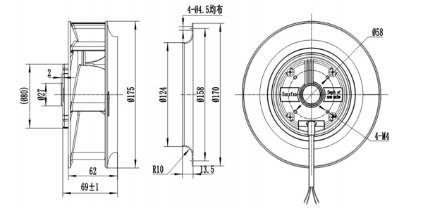
المواد: المكره مصنوعة من PA66
المحمل: محمل كروي
التحكم في السرعة: سرعتان ، مع إخراج إشارة RD
درجة حرارة العمل: -25 ~ 60 درجة مئوية.
فئة العزل: ب
فئة الحماية: IP54
الموافقات: CCC ، CE

الأداء:

نقطة عمل | ضغط ثابت (باسكال) | تدفق الهواء (م3/ح) | السرعة (ص/دقيقة) | قوة (ث) |
1 | 150 | 600 | 3950 | 86 |
2 | 250 | 530 | 3990 | 90 |
3 | 150 | 500 | 3580 | 58 |
4 | 250 | 390 | 3590 | 60 |
معلمة: (يمكن تخصيصها)
نموذج مروحة | نوع المحرك | الجهد | قوة | الحالي | السرعة | تدفق الهواء | الضوضاء |
& Apos; 5 & apos; | (ث) | (أ) | (ص/دقيقة) | (م3/ح) | Lp: ديسيبل (أ) | ||
من من من من | EM072B | سيرت V/50 هرتز | 90 | 0.65 | 4000 | 680 | 72 |
60 | 0.45 | 3600 | 620 | 66 |
روابط سريعة