اتصل بي
محلي:+86-18169817259
الخارج:+86-13790081902
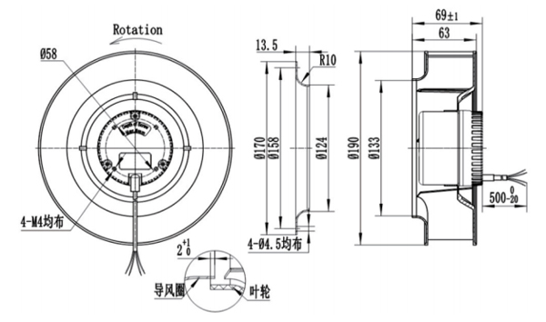
المادة: lmpeller مصنوعة من PA66
المحمل: محمل كروي
التحكم في السرعة: إدخال التحكم 0-5/10V أو PWM
درجة حرارة العمل: -25 ~ 60 درجة مئوية
فئة العزل: ب
فئة الحماية: IP44
الموافقات: CCC ، CE

الأداء:

نقطة عمل | ضغط ثابت (باسكال) | تدفق الهواء (م3/ح) | السرعة (ص/دقيقة) | قوة (ث) |
1 | 75 | 560 | 3039 | 63 |
2 | 150 | 490 | 2995 | 64 |
3 | 210 | 420 | 2966 | 65 |
4 | 260 | 350 | 2950 | 65 |
5 | 305 | 280 | 2950 | 62 |
نموذج مروحة | نوع المحرك | الجهد | قوة | الحالي | السرعة | تدفق الهواء | الضوضاء |
& Apos; 5 & apos; | (ث) | (أ) | (ص/دقيقة) | (م3/ح) | Lp: ديسيبل (أ) | ||
من من من من | DM072A | DC24 | 56 | 2.36 | 3000 | 600 | 68 |
من من من من | DC48 | 56 | 1.2 | 3000 | 600 | 68 | |
من من من من | دسي 310 | 38 | 0.55 | 3000 | 600 | 68 |
روابط سريعة