اتصل بي
محلي:+86-18169817259
الخارج:+86-13790081902
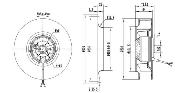
المواد: المكره مصنوعة من PA66
المحمل: محمل كروي
التحكم في السرعة: صنابير المناوبات (منتج متعدد السرعات)
درجة حرارة العمل: -25 ~ 55 درجة مئوية
فئة العزل: و
فئة الحماية: IP44
الموافقات: CCC ، CE

الأداء:

نقطة عمل | ضغط ثابت (باسكال) | تدفق الهواء (م3/ح) | السرعة (ص/دقيقة) | قوة (ث) |
1 | دوري باسكال | 715 | 2480 | 123 |
2 | دوري باسكال | 615 | 2420 | 126 |
3 | دوري باسكال | 515 | 2390 | 127 |
4 | دوري باسكال | 420 | 2380 | 127 |
نموذج مروحة | نوع المحرك | الجهد | قوة | الحالي | السرعة | تدفق الهواء | الضوضاء |
& Apos; 5 & apos; | (ث) | (أ) | (ص/دقيقة) | (م3/ح) | Lp: ديسيبل (أ) | ||
من من من من | AM092C | AC230/50 هرتز | 105 | 0.43 | 2500 | 920 | 72 |
روابط سريعة