اتصل بي
محلي:+86-18169817259
الخارج:+86-13790081902
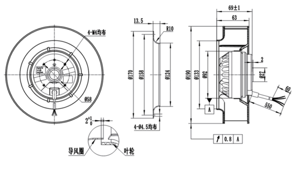
المواد: المكره مصنوعة من PA66
المحمل: محمل كروي
التحكم في السرعة: صنابير المناوبات (منتج متعدد السرعات)
درجة حرارة العمل: -25 ~ 55 درجة مئوية
فئة العزل: و
فئة الحماية: IP44
الموافقات: CCC ، CE

الأداء:

نقطة عمل | ضغط ثابت (باسكال) | تدفق الهواء (م3/ح) | السرعة (ص/دقيقة) | قوة (ث) |
1 | 55 باسكال | 420 | 2460 | 67 |
2 | دوري باسكال | 350 | 2390 | 69 |
3 | دوري باسكال | 280 | 2370 | 70 |
4 | دوري باسكال | 210 | 2390 | 69 |
5 | دوري باسكال | 140 | 2450 | 67 |
نموذج مروحة | نوع المحرك | الجهد | قوة | الحالي | السرعة | تدفق الهواء | الضوضاء |
& Apos; 5 & apos; | (ث) | (أ) | (ص/دقيقة) | (م3/ح) | Lp: ديسيبل (أ) | ||
من من من من | AM092B | AC230/50 هرتز | 68 | 0.13 | 2550 | 490 | 62 |
روابط سريعة