اتصل بي
محلي:+86-18169817259
الخارج:+86-13790081902

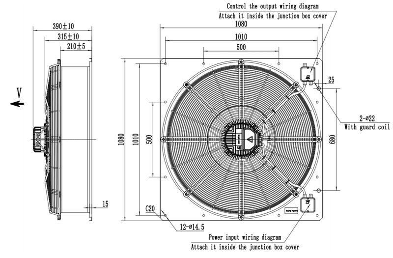
منحنى أداء المروحة:

| نموذج | EC950-32KW | |
| مرحلة | 3 | |
| الجهد | من من من من | VAC |
| تردد | 50/60 | هرتز |
| السرعة | يج + 5% | دورة في الدقيقة |
| قوة | واغـ + 10% | ث |
| الحالي | ، من | أ |
| ضغط ثابت | 130 | Pa |
| تدفق الهواء | أفضل + 10% | م 3/ساعة |
| الضوضاء | ≤ 80 + مكعب | ديسيبل |
| مستوى الحماية | IP55 |
روابط سريعة