اتصل بي
محلي:+86-18169817259
الخارج:+86-13790081902
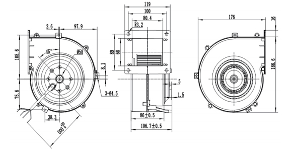
المادة: المكره والسكن مصنوعة من PP
المحمل: محمل كروي
التحكم في السرعة: صنابير المناوبات (منتج متعدد السرعات)
درجة حرارة العمل: -25 ~ 55 درجة مئوية
فئة العزل: و
فئة الحماية: IP44
الموافقات: CCC ، CE

الأداء:

نقطة عمل | ضغط ثابت (باسكال) | تدفق الهواء (م3/ح) | السرعة (ص/دقيقة) | قوة (ث) |
1 | 80 | 245 | 2260 | 60 |
2 | 150 | 220 | 2400 | 55 |
3 | 80 | 300 | 2200 | 75 |
4 | 150 | 265 | 2350 | 70 |
نموذج مروحة | نوع المحرك | الجهد | قوة | الحالي | السرعة | تدفق الهواء | الضوضاء |
& Apos; 5 & apos; | (ث) | (أ) | (ص/دقيقة) | (م3/ح) | Lp: ديسيبل (أ) | ||
DG120C-A092A2-01 | AM092A | AC230/50 هرتز | 65 | 0.28 | 1800 | 270 | 55 |
DG120C-A092A2-02 | AM092B | AC230/50 هرتز | 80 | 0.34 | 2200 | 340 | 62 |
روابط سريعة