اتصل بي
محلي:+86-18169817259
الخارج:+86-13790081902
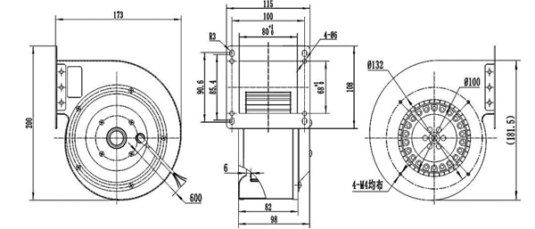
المواد: المكره مصنوعة من لوحة مجلفنة ، الإسكان التمرير مصنوعة من ورقة الصلب المدلفن بارد
المحمل: محمل كروي
التحكم في السرعة: صنابير المناوبات (منتج متعدد السرعات)
درجة حرارة العمل: -25 ~ 55 درجة مئوية
فئة العزل: و
فئة الحماية: IP44
الموافقات: CCC ، CE

الأداء:

نقطة عمل | ضغط ثابت (باسكال) | تدفق الهواء (م3/ح) | السرعة (ص/دقيقة) | قوة (ث) |
1 | 80 | 305 | 2200 | 76 |
2 | 140 | 270 | 2300 | 70 |
3 | 200 | 230 | 2450 | 65 |
معلمة: (يمكن تخصيصها)
نموذج مروحة | نوع المحرك | الجهد | قوة | الحالي | السرعة | تدفق الهواء | الضوضاء |
& Apos; 5 & apos; | (ث) | (أ) | (ص/دقيقة) | (م3/ح) | Lp: ديسيبل (أ) | ||
DG120A-A092B2-01 | AM092B | AC230/50 هرتز | 80 | 0.34 | 2100 | 340 | 63 |
روابط سريعة