اتصل بي
محلي:+86-18169817259
الخارج:+86-13790081902
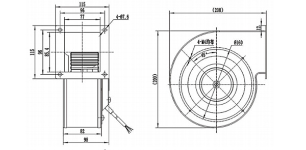
مروحة نافخ الطرد المركزي SunxFan CE CE مروحة بالطرد المركزي بمدخل واحد إلى الأمام
نموذج: كسوف
المواد الدافعة: PA66 والمعادن
محمل: محامل كروية صيانة مجانية
التحكم في السرعة: التحكم في المدخلات 0-10v أو PWM
نوع الحماية: IP44
الموافقات: CCC CE
فئة العزل: ب
درجة حرارة العمل:-25 ~ 60 درجة مئوية
مروحة الطرد المركزي شعاعية المنحنى مع السكن التمرير مناسبة للبيئات العدوانية ،
تطبيق مروحة على سبيل المثال غرف الأبحاث أو مركز البيانات أو المبرد

الأداء:

نقطة عمل | ضغط ثابت (باسكال) | تدفق الهواء (م3/ح) | السرعة (rlmin) | قوة (ث) |
| 1 | 80 | 305 | 1960 | 61 |
| 2 | 185 | 270 | 2160 | 60.5 |
| 3 | 290 | 230 | 2420 | 60 |
| 4 | 85 | 375 | 2530 | 100 |
| 5 | 160 | 340 | 2672 | 101 |
| 6 | 240 | 310 | 2860 | 101 |
معلمة: (يمكن تخصيصها)
نموذج مروحة | نوع المحرك | الجهد | قوة | الحالي | السرعة | تدفق الهواء | الضوضاء |
| & Apos; 5 & apos; | (ث) | (أ) | (ص/دقيقة) | (م3/ح) | Lp: ديسيبل (أ) | ||
| من من من من | DM072A | DC24 | 60 | 2.6 | 1800 | 340 | 65 |
| إيطاليا-* | DC48 | 60 | 1.3 | 1800 | 340 | 65 | |
| من من من من | دسي 310 | 100 | 0.73 | 2400 | 400 | 75 |
روابط سريعة