اتصل بي
محلي:+86-18169817259
الخارج:+86-13790081902
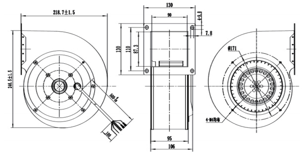
المواد: المكره مصنوعة من لوحة مجلفنة ، الإسكان التمرير مصنوعة من ورقة الصلب المدلفن بارد
المحمل: محمل كروي
التحكم في السرعة: صنابير المناوبات (منتج متعدد السرعات)
درجة حرارة العمل: -25 ~ 55 درجة مئوية
فئة العزل: و
فئة الحماية: IP44
الموافقات: CCC ، CE

الأداء:

نقطة عمل | ضغط ثابت (باسكال) | تدفق الهواء (م3/ح) | السرعة (ص/دقيقة) | قوة (ث) |
1 | 150 | 450 | 1950 | 175 |
2 | 250 | 420 | 2150 | 165 |
3 | 400 | 360 | 2380 | 156 |
4 | 450 | 315 | 2480 | 145 |
نموذج مروحة | نوع المحرك | الجهد | قوة | الحالي | السرعة | تدفق الهواء | الضوضاء |
& Apos; 5 & apos; | (ث) | (أ) | (ص/دقيقة) | (م3/ح) | Lp: ديسيبل (أ) | ||
DG160B-A092D2-00 | AM092D | AC230/50 هرتز | 185 | 0.85 | 1550 | 490 | 65 |
روابط سريعة