اتصل بي
محلي:+86-18169817259
الخارج:+86-13790081902
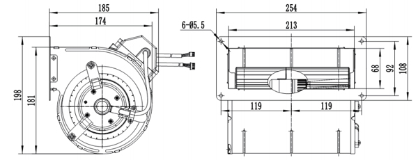
المواد: المكره مصنوعة من لوحة مجلفنة ، الإسكان التمرير مصنوعة من ورقة الصلب المدلفن بارد
المحمل: محمل كروي
التحكم في السرعة: إدخال التحكم 0-5/10V أو PWM
درجة حرارة العمل: -25 ~ 60 درجة مئوية
فئة العزل: و
فئة الحماية: IP54
الموافقات: CCC ، CE

الأداء:

نقطة عمل | ضغط ثابت (باسكال) | تدفق الهواء (م3/ح) | السرعة (ص/دقيقة) | قوة (ث) |
1 | 80 | 750 | 2110 | 142 |
2 | 190 | 630 | 2460 | 142 |
3 | 250 | 550 | 2623 | 141 |
4 | 310 | 470 | 2800 | 141 |
5 | 400 | 380 | 3120 | 142 |
نموذج مروحة | نوع المحرك | الجهد | قوة | الحالي | السرعة | تدفق الهواء | الضوضاء |
& Apos; 5 & apos; | (ث) | (أ) | (ص/دقيقة) | م3/ح | Lp: ديسيبل (أ) | ||
SF133A-D092A0-01 | EM092A | دسي 310 | 140 | 0.98 | 1900 | 850 | 68 |
SF133A-E092A3-01 | AC230 50/60 هرتز | 180 | 1.05 | 2150 | 980 | 69 |
روابط سريعة