اتصل بي
محلي:+86-18169817259
الخارج:+86-13790081902
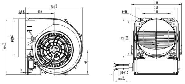
المادة: المكره والسكن مصنوعة من PP
المحمل: محمل كروي
التحكم في السرعة: إدخال التحكم 0-5/10V أو PWM
درجة حرارة العمل: -25 ~ 60 درجة مئوية
فئة العزل: و
فئة الحماية: IP54
الموافقات: CCC ، CE

الأداء:

نقطة عمل | ضغط ثابت (باسكال) | تدفق الهواء (م3/ح) | السرعة (ص/دقيقة) | قوة (ث) |
1 | 180 | 680 | 2030 | 115 |
2 | 360 | 480 | 2520 | 117 |
3 | 200 | 820 | 2230 | 165 |
4 | 360 | 630 | 2550 | 160 |
5 | 200 | 940 | 2350 | 215 |
6 | 350 | 810 | 2676 | 220 |
معلمة:(لغطاء رأس: صوفي)
نموذج مروحة | نوع المحرك | الجهد | قوة | الحالي | السرعة | تدفق الهواء | الضوضاء |
& Apos; 5 & apos; | (ث) | (أ) | (ص/دقيقة) | (م3/ح) | Lp: ديسيبل (أ) | ||
SF146D-E092A3-01 | EM092A | 230 أمبير-50/60 هرتز | 120 | 0.78 | 1650 | 890 | 57 |
SF146D-E092A3-02 | 165 | 1.08 | 1850 | 1020 | 64 | ||
SF146D-E092B3-03 | EM092B | 230 أمبير-50/60 هرتز | 220 | 1.4 | 2100 | 1080 | 68 |
روابط سريعة