اتصل بي
محلي:+86-18169817259
الخارج:+86-13790081902
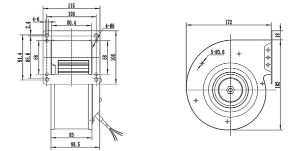
المواد: المكره مصنوعة من السكن المجلفن لوحة التمرير مصنوعة من ورقة الصلب المدرفلة بارد
المحمل: محمل كروي
التحكم في السرعة: إدخال التحكم 0-5/10V أو PWM
درجة حرارة العمل: -25 ~ 60 درجة مئوية
فئة العزل: ب
فئة الحماية: IP44

الأداء:

نقطة عمل | ضغط ثابت (باسكال) | تدفق الهواء (م3/ح) | السرعة (ص/دقيقة) | قوة (ث) |
1 | 85 | 285 | 2410 | 60 |
2 | 175 | 240 | 2616 | 59 |
3 | 240 | 205 | 2796 | 56 |
4 | 300 | 170 | 2797 | 46 |
معلمة: (يمكن تخصيصها)
نموذج مروحة | نوع المحرك | الجهد | قوة | الحالي | السرعة | تدفق الهواء | الضوضاء |
& Apos; 5 & apos; | (ث) | (أ) | (ص/دقيقة) | (م3/ح) | Lp: ديسيبل (أ) | ||
من من من من | DM072A | DC24 | 60 | 2.5 | 2200 | 320 | 67 |
من من من من | DC48 | 60 | 1.3 | 2200 | 320 | 67 | |
من من من من | دسي 310 | 60 | 0.46 | 2200 | 320 | 67 |
روابط سريعة