اتصل بي
محلي:+86-18169817259
الخارج:+86-13790081902
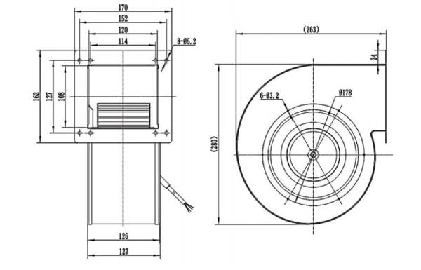
المواد: المكره مصنوعة من لوحة مجلفنة ، الإسكان التمرير مصنوعة من ورقة الصلب المدلفن بارد
المحمل: محمل كروي
التحكم في السرعة: إدخال التحكم 0-5/10V أو PWM
درجة حرارة العمل: -25 ~ 60 درجة مئوية
فئة العزل: ب
فئة الحماية: IP44

الأداء:

نقطة عمل | ضغط ثابت (باسكال) | تدفق الهواء (م3/ح) | السرعة (ص/دقيقة) | قوة (ث) |
1 | 180 | 720 | 1500 | 145 |
2 | 320 | 630 | 1750 | 150 |
3 | 420 | 560 | 1950 | 152 |
نموذج مروحة | نوع المحرك | الجهد | قوة | الحالي | السرعة | تدفق الهواء | الضوضاء |
& Apos; 5 & apos; | (ث) | (أ) | (ص/دقيقة) | (م3/ح) | Lp: ديسيبل (أ) | ||
من من من من | موديل 092 | DC48V | 145 | 3.5 | 1200 | 820 | 63 |
من من من من | دسي 310 | 150 | 0.85 | 1200 | 820 | 63 |
روابط سريعة